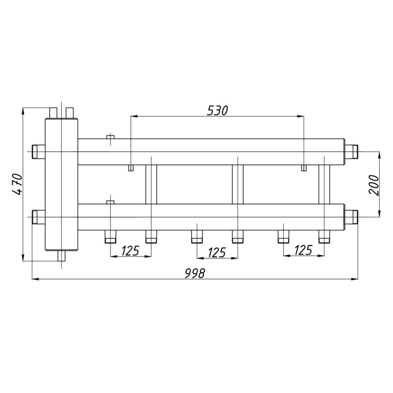
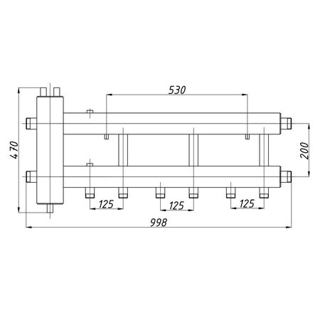
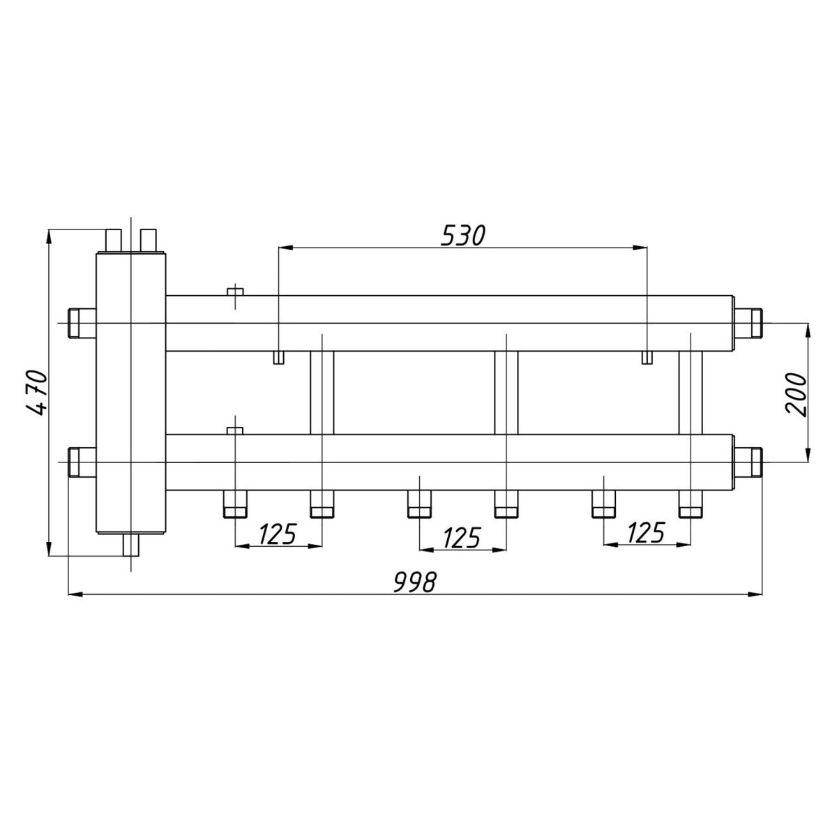
Ansamblu distribuitor + Butelie de egalizare 1 1/4" - 1", 3+1 cai, iesiri jos, Termax KSH32D125.200
![]()
Ansamblu distribuitor + Butelie de egalizare 1 1/4" - 1", 3+1 cai, iesiri jos, Termax KSH32D125.200
Ansamblul distribuitor + Butelia de egalizare este un echipament esential in sistemele de incalzire care necesita distribuirea eficienta a agentului termic catre multiple receptoare cu parametri diferiti.
Acesta este proiectat pentru a asigura o functionare optima, avand o constructie robusta cu o carcasa realizata din otel, ceea ce ii confera durabilitate si rezistenta la solicitari mecanice. Pentru o eficienta termica sporita, ansamblul este izolat cu polietilena reticulata (XLPE), reducand pierderile de caldura si optimizand consumul energetic.
Unul dintre avantajele sale majore este flexibilitatea in instalare: componentele pot fi rotite la 180° pe orizontala, permitand conectarea cazanului atat din partea stanga, cat si din partea dreapta, in functie de necesitatile sistemului. De asemenea, distanta centrala dintre tevile circuitului este de 125 mm, facilitand integrarea in diverse configuratii de instalatii.
Pentru o montare usoara si sigura, setul de livrare include suporturi pentru fixarea pe perete, asigurand stabilitate si o instalare simplificata.
Specificatii Tehnice - Ansamblu Distribuitor + Butelie de Egalizare:
- Numarul de circuite de incalzire: 3+1
- Putere maxima (Qmax) la △Т=10°C: 60 kW
- Putere maxima (Qmax) la △Т=20°C: 95 kW
- Debit maxim (Gmax): 6.35 m³/h
- Racord la cazan: 1 ¼"
- Conectarea circuitului de incalzire: 1"
- Distanta centrala dintre tevile circuitului: 125 mm
- Material carcasa: Otel
- Izolatie termica: Polietilena reticulata (XLPE)
- Flexibilitate in montaj: Elemente rotative la 180° pe orizontala
- Fixare: Suporturi de montare pe perete incluse
Acceseaza lista partenerilor autorizati pentru service si punerea in functiune a centralelor TERMAX de aici.
Ai intrebari legate de produs?
Suntem la dispozitia ta! Ne poti suna la numarul 0726713313 sau 0726343761 pentru orice fel de informatie suplimentara. Ne poti gasi si pe e-mail la adresa: office@termax.store.
